FLENI - Centro de Imágenes Moleculares
Escobar, Prov. de Buenos Aires.
Proyecto de Arq.: EV+PP Arquitectos
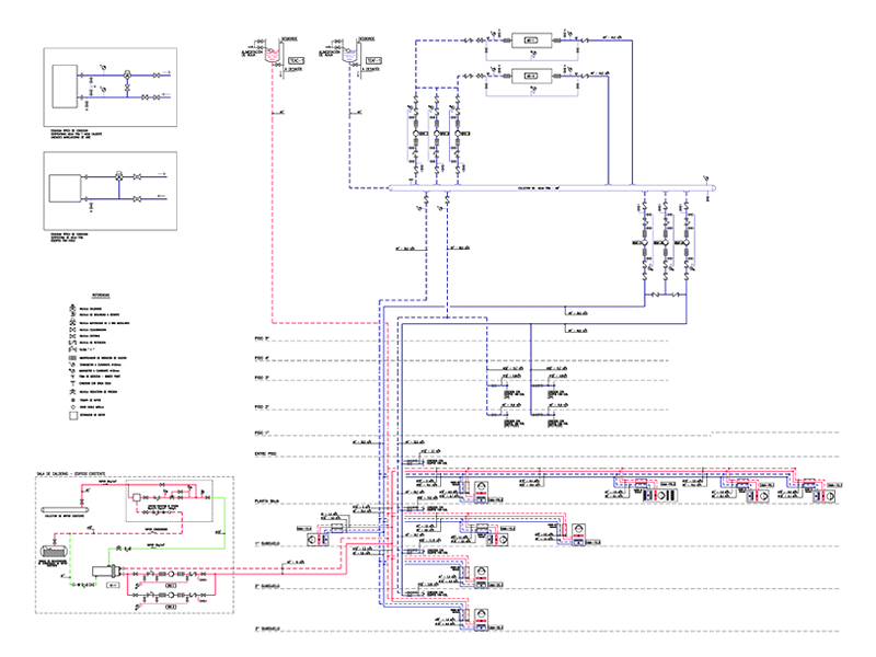
Unidades Manejadoras de Aire y equipos “Fan-coils” con serpentinas de refrigeración por agua enfriada y calefacción por agua caliente. La generación de agua enfriada para alimentar las serpentinas de refrigeración de los equipos será realizada por medio de dos Máquinas Enfriadoras de agua con condensación por aire. Sectores de Cyclotron y Celdas y los sectores de Laboratorio de Producción, Laboratorio de Investigación y Esclusas de Acceso serán acondicionados con una Unidad Manejadora de Aire de inyección con 100 % de aire exterior y una Unidad Manejadora de Aire de extracción y un doble Sistema de Filtrado de expulsión de aire del tipo “Bag-In / Bag-Out”. La generación de agua caliente para alimentar las serpentinas de calefacción de los equipos “Fan-coils” y las Unidades de Manejadoras de Aire será realizada en dos Calderas con Quemadores de gas natural.
Capacidad de Refrigeración:
250 TRCapacidad
de Calefacción:
440.000 kcal/h
Superficie:
6.000 m²
Hospital Alemán - Radioterapia

Proyecto de Arq.: Alvarado / Font / Sartorio. Arquitectos
Nuevo Edificio de Radioterapia. La generación de agua enfriada para alimentar las serpentinas de refrigeración de las Unidades Manejadoras de Aire y los equipos Fan-Coils está realizada por medio de dos Máquinas Enfriadoras de agua con condensación por aire. El agua caliente la provee un intercambiador de calor vapor-agua. Manejadoras de Aire con filtrado de Alta eficiencia y 100% aire exterior. Ventilaciones mecánicas complementarias.
Capacidad de Refrigeración:
160 TRGeneración
de Vapor:
220 Kg/h
Superficie:
4.600 m²
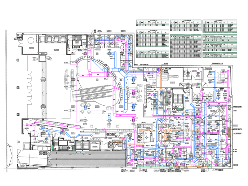
OSECAC

Proyecto de Arq.: Arq. Jorge Bello
Proyecto y Dirección de Obra. Nuevo Edificio Clínica. Sistema frío–calor con generación de agua fría y caliente. Unidades manejadoras de aire con serpentina de agua enfriada y caliente acondicionan sectores de laboratorio general, bacteriología, hemoterapia, consultorios, sectores de imágenes, etc. Quirófanos, Sala de Recuperación, etc. atendidos con manejadoras de aire con filtrado de alta eficiencia intercalado en los conductos de alimentación y filtros terminales en los quirófanos. Sistema de Volumen de Refrigerante Variable (VRV) en habitaciones. Ventilaciones mecánicas en locales del subsuelo por medio de inyeccion de aire exterior y extracción.
Capacidad de Refrigeración:
350 TRCapacidad
de Calefacción:
360.000 Kcal/h
Superficie:
Sanatorio Agote
Capital Federal
Proyecto de Arq.: Swiss Medical Group / Arq. Bello
Remodelación integral del edificio. Sistema frío– calor con generación de agua fría y caliente. Equipos Fan-coils de cuatro caños en habitaciones con doble serpentina y unidades de tratamiento de aire en áreas comunes y quirófanos. Ventilaciones mecánicas.
Capacidad de Refrigeración:
150 TRCapacidad
de Calefacción:
280.000 Kcal/h
Superficie:
Swiss Medical Group
Sanatorio Los Arcos, Ciudad de Buenos Aires
Proyecto de Arq.: Swiss Medical Group / Arq. Bello
Nuevo Edificio Clínica. Sistema frío–calor con generación de agua fría y caliente. Equipos Fan-coils de cuatro caños en habitaciones con doble serpentina y unidades de tratamiento de aire en áreas comunes y quirófanos. Ventilaciones mecánicas.
Capacidad de Refrigeración:
550 TRCapacidad
de Calefacción:
900.000 Kcal/h
Superficie:
13.200 m²